Gama cuprinde pompe dozatoare electromagnetice cu membrana controlate electronic (cu debit reglabil, constant sau proportional), pompe dozatoare cu regulator de pH si Redox, debitmetre cu emitator de impulsuri pentru comanda pompelor proportionale si rezervoare de stocare.
Noile pompe dozatoare, de ultima generatie, se disting printr-o fiabilitate ridicata si prin utilizarea unor solutii
tehnice inovatoare. Modelele digitale (TPZ, TPR si TCK)
sunt dotate cu un panou de comanda electronic montat chiar pe pompa, cu afisaj luminos avand posibilitatea de selectie a instructiunilor in 6 limbi, si permit introducerea unei parole de acces in vederea protejarii datelor
programate. Toate setarile si reglajele se fac prin intermediul tastaturii digitale; in plus, este disponibil un
contact liber de tensiune pentru a semnaliza la distanta
situatiile de alarma si o intrare pentru a inhiba de la
distanta functionarea pompei. Modelul ACK, cu reglare analogica, reprezinta solutia cea mai simpla si fiabila pentru dozarea cu debit constant.
Date constructive: Carcasa este realizata din polipropilena ranforsata cu fibre de sticla, grat de protectie electrica IP65, cu capac transparent si inchidere cu suruburi, pentru a evita atingerea accidentala a comenzilor. Utilizarea tehnologiei EFT (Elastomer Free Technology) a permis eliminarea oricarui contact al elastomerilor cu lichidele.
Mambranele si scaunele acestora, realizate din PTFE, permit dozarea tuturor chimicalelor destinate tratarii apei; pentru dozarea altor produse recomandam sa consultati Departamentul Tehnic .
Pompele pot fi
montate pe perete sau pe un plan orizontal (deci inclusiv direct pe rezervor), datorita suportului special cu care sunt furnizate. Un conector special permite modificarea conexiunilor electrice fara a fi nevoie sa se decupleze pompa din intalatie. Toate pompele sunt furnizate impreuna cu fitingurile si furtunele de aspiratie si injectie, filtru si sorb,
racord de injectie demontabil ce poate fi curatat, suruburi si dibluri pentru fixarea pe perete sau pe rezervorul de stocare. Gama de accesorii mai include senzori de curgere, vane de dezaerisire, intrerupatoare magnetice de nivel,
programatoare electronice de timp, sonde de pH si Redox si tecile port-sonda aferente.
Pompe dozatoare seria AKL
Pompe dozatoare cu debit constant reglabil, cu reglare analogica de la 1 la 100%. Predispuse pentru conectarea unui intrerupator magnetic de nivel.
Pompe dozatoare seria TPZ
Pompe dozatoare cu debit proportional comandate de un debitmetru cu emitator de impulsuri sau de semnal in curent 0/4-20 mA; pompa poate functiona si cu debit constant sau cu comanda temporizata. Toate setarile se realizeaza digital, cu ajutorul tastierei si a afisajului. Predispuse pentru conectarea unui intrerupator magnetic de nivel si a unui senzor de debit.
Pompe dozatoare seria TPR
Pompe dozatoare avand incorporat un instrument pentru controlul pH sau Redox, cu set-point reglabil pentru comanda automata a pompei. Functia pH/Redox este selectionabila direct pe pompa. Impreuna cu un senzor de pH (model E-PHC) permit reglarea automata a pHului unei solutii dozand un produs acid sau bazic. Impreuna cu un senzor de Redox (E-RXC), cea mai comuna aplicatie este reglarea automata a dozarii unui produs pe baza de clor (de obicei hipoclorit de sodiu). Toate setarile se realizeaza digital, cu ajutorul tastierei si a afisajului.
Predispuse pentru conectarea unui intrerupator magnetic de nivel si a unui senzor de debit.
Pompe dozatoare seria TCK
Pompe dozatoare cu debit constant temporizat, cu posibilitatea setarii a pana la 10 programe saptamanale
independente; este posibil de asemenea sa se programeze volumul si durata fazei de dozare, intervalul de timp dintre doua faze succesive si eventuale intarzieri de pornire. Toate setarile se realizeaza digital, cu ajutorul tastierei si a afisajului. Predispuse pentru conectarea unui intrerupator magnetic de nivel si a unui senzor de debit.

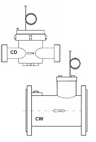
Debitmetre cu emitator de impulsuri seria CD ![]()
Debitmetre pentru apa rece cu turbina cu jet multiplu, cu cadran uscat; inclusiv cap emitator de impulsuri (4 impulsuri/litru), cu citire directa a m3 de apa.
Corp din bronz cu racorduri filetate (½”–2”). CD CW
Debitmetre cu emitator de impulsuri seria CW
Debitmetre pentru apa rece tip Woltmann, cu cadran uscat; inclusiv cap emitator de impulsuri, cu citire directa a m3 de apa. Corp din fonta cu racorduri cu flanse (DN65 – DN200).

Pmax = 16 bar t max = 30°C (la cerere sunt disponibile versiunile HT, pana la 90°C)
Rezervoare de stocare seria SL
Rezervoare de stocare din polietilena anti-soc, gradate, cu capac cu filet pentru umplere;
permit fixarea directa a pompelor dozatoare cu ajutorul suportului special inclus in furnitura acestora.
Capacitati de la 50 la 1000 litri.